Advertisement

Lawn Mower 7 Terminal Key Switch Diagram - 26 Lawn Mower Key Switch Diagram - Wire Diagram Source ... : If you unplug your harness from the key switch on the back of the key switch you will see by the terminals letters.

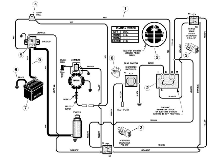
Lawn Mower 7 Terminal Key Switch Diagram - 26 Lawn Mower Key Switch Diagram - Wire Diagram Source ... : If you unplug your harness from the key switch on the back of the key switch you will see by the terminals letters.. Technology has developed, and reading 7 terminal ignition switch wiring diagram books can be more convenient and easier. John deere tractors, combines & lawn mowers service repair manuals, wiring diagrams, fault codes list; Hence, there are numerous books being received by pdf format. For switch manufacturing see the key manufacturing wiki. Plastic (7 terminal / 4 position) ignition switch.

Mtd lawn mower switch 6 terminal wiring diagram. John deere tractors, combines & lawn mowers service repair manuals, wiring diagrams, fault codes list; Lawn mower ignition starter 5 spade terminal engine start. 400 x 400 jpeg 12 кб. You will find excellent wiring diagrams for all makes, years and models of vws at vw wiring diagrams.

318/420 ignition switch bad
318/420 ignition switch bad from www.greentractortalk.com
Hence, there are numerous books being received by pdf format. If the switch in question is off of the machine you are working on, please post the model and serial number of the machine so we can search online for a wiring diagram. But when you lose, break or damage the mower key, it turns into a nightmare to start the lawnmower. John deere tractors, combines & lawn mowers service repair manuals, spare parts catalogs and wiring diagrams. Testing the lawn mower ignition switch with a multimeter gives you the understanding of how you can bypass the lawnmower ignition with the help of the witch diagram. 300 x 300 jpeg 13 кб. However important safety may be to you, there may occasionally come a time where you have lost or broken the key switch on your riding lawn mower, and need to turn it on through an alternate method. It worked fine for one year, now it i'm thinking about ordering a regular keyed switch and wiring it up to replace the keyless switch.

300 x 300 jpeg 13 кб.

Living 75 miles from nearest repair place, and not an electrical guy, i replaced parts that were instrumental to start the mower. I have a riding lawn mower with the smartswitch keyless ignition. I used online manuals and parts diagrams to figure. Ignition key switch & keys fits john deere 300 312 314 316 317 400 lawn mowers. Our best advice is not only i print the schematic plus highlight the routine i'm diagnosing to be able to make sure i'm staying on the path. However important safety may be to you, there may occasionally come a time where you have lost or broken the key switch on your riding lawn mower, and need to turn it on through an alternate method. Mowing a lawn with a riding mower is the most convenient way. Indak key switch wiring diagram wiring diagram is a simplified standard pictorial representation of an electrical circuitit shows the how to re wire your lawn mower with key igniton. 400 x 400 jpeg 12 кб. Starter switch 13/16 mounting stem the letters on the back of an ignition switch stand for the following: 7 terminal, 4 position switch. M = magneto s = starter solenoid l = lights a = accessory b = battery g = ground i. Lawn mower starter keys :

I used online manuals and parts diagrams to figure. I have a riding lawn mower with the smartswitch keyless ignition. Starter switch 13/16 mounting stem the letters on the back of an ignition switch stand for the following: Electrical and lighting, electric lawn mower, lawn mower switch repair. I need the diagram for ignition switch part number 092377manbsp.

Indak Switch Wiring Diagram
Indak Switch Wiring Diagram from wiringall.com
Briggs stratton key switch 92377ma briggs stratton key switch 92377ma. Mtd lawn mower switch 6 terminal wiring diagram. Www.metalinmotionshop.commetal in motion based in lenoir city tn, shows you the concept of testing a riding mower key switch. Regularly checking and changing your riding lawn mower's oil can ensure that it runs properly and lasts longer. I used online manuals and parts diagrams to figure. Other terminal commands are available and can be bound to your preferred keyboard shortcuts. Lawn mower ignition starter 5 spade terminal engine start. Technology has developed, and reading 7 terminal ignition switch wiring diagram books can be more convenient and easier.

67 ignition switch wiring | mustang forums at stangnet, when turning ignition switch once note:

Find great deals on ebay for lawnmowers ignition key switch. It worked fine for one year, now it i'm thinking about ordering a regular keyed switch and wiring it up to replace the keyless switch. As this testing of a lawn mower switch for bypassing is for a basic key switch, you will notice that it is a five terminal key switch. This key switch is off of a. Lawn mower parts and equipment since 1982! Lawn mower starter keys : Other terminal commands are available and can be bound to your preferred keyboard shortcuts. 300 x 300 jpeg 13 кб. It mimics the same shortcuts used in the editor to open new files (cmd+n) and switch between tabs (cmd+left|right) and the same shortcuts work for terminals when that view is in focus. Subsequent diagrams is fairly simple, but using it inside the opportunity of how the system operates is a new different matter. However important safety may be to you, there may occasionally come a time where you have lost or broken the key switch on your riding lawn mower, and need to turn it on through an alternate method. Plastic (7 terminal / 4 position) ignition switch. We can read books on the mobile, tablets and kindle, etc.

400 x 400 jpeg 12 кб. A wiring diagram and a test light are needed. 300 x 300 jpeg 13 кб. Other terminal commands are available and can be bound to your preferred keyboard shortcuts. Regularly checking and changing your riding lawn mower's oil can ensure that it runs properly and lasts longer.

Amazon.com : Murray 421064MA Ignition Switch for Lawn ...
Amazon.com : Murray 421064MA Ignition Switch for Lawn ... from m.media-amazon.com
Riding mower 7 terminal ignition switch. 7 terminal, 4 position switch. Our best advice is not only i print the schematic plus highlight the routine i'm diagnosing to be able to make sure i'm staying on the path. Ignition key switch & keys fits john deere 300 312 314 316 317 400 lawn mowers. Proudly owned & operated in america. John deere tractors, combines & lawn mowers service repair manuals, wiring diagrams, fault codes list; 7 terminal ignition switch for lawn mower. No need to be worried.

Lawn mower starter keys :

Lawn mower ignition starter 5 spade terminal engine start. The above diagram shows modifications to the original wiring. It maybe the ignition switch, there should be one terminal on it that feeds 12v to the clutch curcuit. It worked fine for one year, now it i'm thinking about ordering a regular keyed switch and wiring it up to replace the keyless switch. 7 terminal ignition switch for lawn mower. Tractor ignition switch wiring diagram fresh indak lawn mower key. Www.metalinmotionshop.commetal in motion based in lenoir city tn, shows you the concept of testing a riding mower key switch. Starter switch 13/16 mounting stem the letters on the back of an ignition switch stand for the following: I have some solutions for you to start your riding mower without using the key. Technology has developed, and reading 7 terminal ignition switch wiring diagram books can be more convenient and easier. Lawn mower starter keys : Mowing a lawn with a riding mower is the most convenient way. Living 75 miles from nearest repair place, and not an electrical guy, i replaced parts that were instrumental to start the mower.

Posting Komentar

0 Komentar